公司简介
山东威达机械股份有限公司是山东威达集团的核心企业。公司始建于1976年,经过40多年的不懈努力,创新发展,现已发展成为品种齐全、技术领先的精密夹具类产品生产基地、国家重点数控机床产品产业化基地、国家智能制造试点示范项目和工信部首批制造业单项冠军示范企业,形成了精密机械零部件制造、中高档数控机床制造和机器人自动化(智能制造系统集成)三大系统互补的产业板块,快速成长为国内具有较强竞争力的智能制造系统集成商之一。
公司于2004年7月在深圳中小板上市(山东威达002026),现辖上海拜骋电器有限公司、济南第一机床有限公司、苏州德迈科电气有限公司、山东威达粉末冶金有限公司、山东威达锯业有限公司、威海威达精密铸造有限公司等子分公司十几家(内有高新技术企业6家)。
公司主要产品涵盖精密夹具、中高档数控机床、智能制造系统整体解决方案、自主品牌高速并联机器人“iDemac”、电动工具开关大功率锂电池充电保护系统、精密铸造件、粉末冶金件和各种石材锯、木材锯、金属加工锯等。
公司技术实力雄厚,现有国家及省市级企业技术中心7处,在钻夹头生产领域拥有专利100多项。公司管理体系完备,相继通过了质量、环境、职业健康安全和知识产权等系列管理体系认证。公司重视品牌建设,不断提升品牌价值,现拥有“PEACOCK”“孔雀”“济一机”“DEMAC”等行业知名品牌。
在社会各界的帮助与支持下,公司先后荣获国家“制造业单项冠军示范企业”“智能制造试点示范”“工信部智能制造综合标准化与新模式应用项目”“威海市市长质量奖”“纳税明星企业”等各种国家和省、市级荣誉500多项。
创民族品牌,做行业的领跑者。以“为客户创造价值”为使命,山东威达愿与社会各界朋友携手合作,共创未来!
以SIPM/PLM系统为平台,实现从项目管理、产品管理、工艺管理到ERP的全过程数字化管理

1.1 项目管理
实现项目可视化跟踪管理,及时准确的了解项目执行情况。


1.2 产品管理
以产品为主线,实现产品文件、BOM结构、零部件、模型图纸的综合管理。
实现产品的多态属性管理
1.3 CAD接口集成
威达在CAD中用多配置表达工艺制造过程,用工程图表达工艺过程卡,故SIPM接口实现“模型:配置:工程图=1:N:N”的上传逻辑管理。并在工艺管理过程中实现工艺过程卡的调用。
1.4 工艺管理
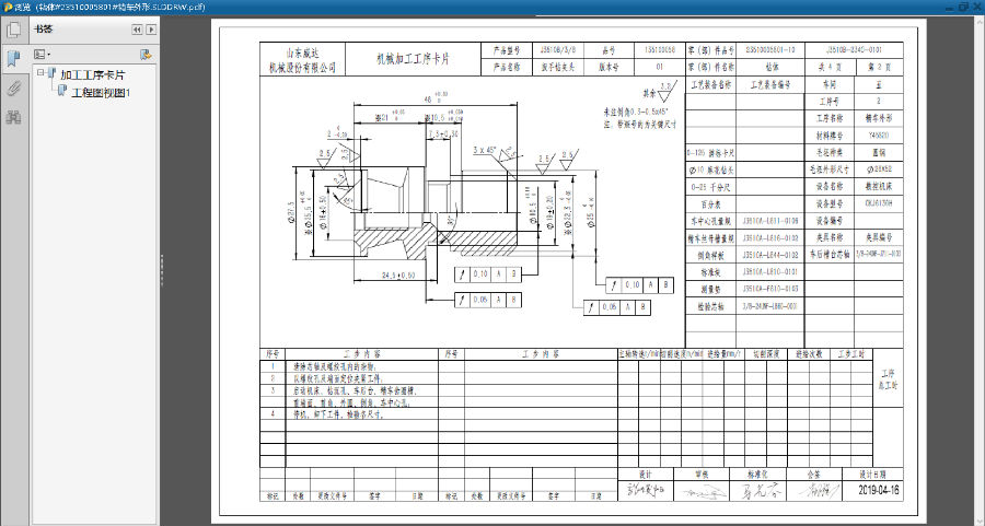
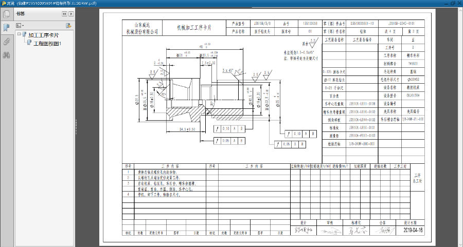
制造工序过程中调用CAD模型配置(工艺制造过程)工程图,即制造工序过程卡。


1.5 编码管理
建立公司级的物料编码规则,实现项目、产品、物料、技术文件、辅料等统一编码。

1.6 包装物管理
在PLM系统中对包装物料、图纸、BOM结构实行管控。
1.7 标准管理
作为一个研发型企业,对国际标准、国家标准、行业标准、材料标准、检测标准等都有非常高的要求,贯穿于整个产品生命周期,在SIPPLM系统中都做了相应的归集和管理。

1.8 流程管理
对研发过程进行梳理,固化于PLM系统中,做到各负其责。并实现电子签名,为无纸化办公打下坚实基础。
1.9 工艺管理
制造工序过程中调用CAD模型配置(工艺制造过程)工程图,即制造工序过程卡。



1.10 编码管理
建立公司级的物料编码规则,实现项目、产品、物料、技术文件、辅料等统一编码。

1.11 ERP接口
经过多次论证确定ERP集成方案,打通了PLM和ERP的数据通道,为生产提供准确完整的设计信息。
如存在未处理的PBOM包,则弹出提示。

对未处理的PBOM包处理方式的一种——失效处理。

结束语
威达机械通过PLM项目,打造了一个产品设计协作平台,实现技术共享和传承,为ERP和MES等生产系统提供准确的数据源,补足了企业信息化中非常重要的一环。