公司简介
安徽红星阀门有限公司成立于2009年,位于安徽省铜陵市狮子山经济开发区,是一家专业从事给排水系统及水处理用设备、阀门的研发、生产和销售的企业。公司是中国建筑金属结构协会常务理事单位、全国城镇给水排水标准化技术委员会委员单位、全国阀门标准化技术委员会委员单位、首都水环境治理产业联盟、中国城镇供水排水协会、中国阀门协会、中国铸造协会、中国计量协会、中国质量协会等会员单位。
一、项目目标
通过SIPM/PLM项目实施,达成以下目标:
² 通过PLM系统产品数据规范化、标准化管理,提升产品研发的效率;
² 以BOM为中心实现技术资料关联管理,打通技术的信息流;
² 实现对物料、技术文件的统一编码;
² 以PLM系统电子文档作为下发源头控制,确保电子文件和现场纸张文件一致,为无纸化管理夯实基础。
² 对项目设计、过程、成果、资源、数据统计等进行管理。
² 与ERP软件集成,实现BOM和物料的自动转换到ERP软件当中,生成物料清单。
二、整体业务框架图

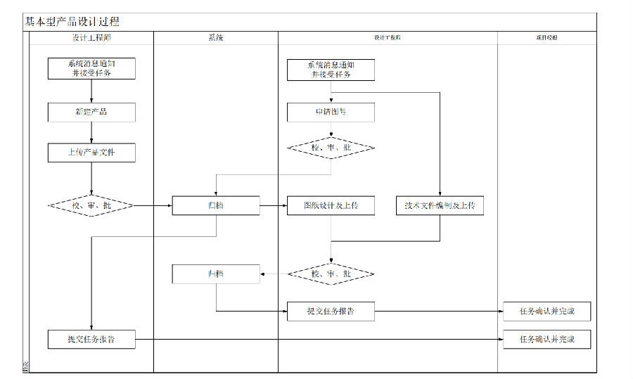
三、产品设计管理
1、产品设计管理过程

1、系统以产品为源头,按产品的结构设计进行分工作业;
2、BOM作为纽带形成数据一体化;
3、以3D图纸作为源头,建立图纸与BOM的关联关系,达到图纸、BOM一致性的管理。
2、产品分类管理
按产品类型建立分类目录,对产品分类进行管理。
3、物料按结构类型分别进行管理
按结构类型对零部件物料建立手动分类目录,对物料按结构类型进行分类管理。零部件物料关联管理与物料相关的图纸、技术文件等图文档
4、3D图纸集成
3D图纸集成管理:在3D图纸软件完成图纸设计,然后通过接口上传PLM系统,并从图纸上提取物料及BOM信息。根据一图多配置实现生成多种配置的物料,图纸上传PLM系统走完签审流程后,由系统完成PDF签名转换。图纸转PDF电子签名

5、以BOM为枢纽实现产品一体化管理
以产品BOM结构为枢纽,将所有零件及组件的设计三维图纸、技术文件,以及生产原材料等整体一体化管起来。


6、图号管理
建立图号库,设计前先在图号库中申请需要的图号,选择对应属性后,由PLM系统按照图号规则生成对应的图号,并按照流程审批后方可生效;然后使用图号时从图号库进行应用。
四、项目管理
项目管理:根据企业的APQP流程设计项目管理,对项目设计、过程、成果、资源、数据统计等进行管理和把控。

五、任务管理

将产品设计和变更过程通过任务管理进行串联管理,通过任务时间对任务进度进行把控,通过任务输出关联文档模板达到对文件格式的把控,通过要求任务确认过程确保任务输出的完整性;输出过签审流程保证其正确性与有效性。
六、变更管理

目前的变更管理由变更发起人先在线下进行变更单的申请,开会讨论变更影响范围,再编制一份变更通知。得到通知单后变更发起人在系统上提起变更申请,且将变更通知单作为附件上传到系统。通过流程将变更内容一起流转到需要变更技术文件和工艺文件的人员,进行下一步的与产品关联的技术文件的变更。
变更后,原旧数据进入历史数据区,随时可以在变更历史中察看

七、ERP集成
ERP集成:通过集成配置字段,数据传入中间表,ERP软件在中间表中获取字段和数据形成ERP的数据。

八、总结
安徽红星阀门通过本次PLM成功的实施:
1、为研发提供了规范的、标准化的业务和功能管理平台;
2、通过PLM系统的产品、BOM、图文档管理方案的实施,实现了红星阀门几乎所有的图文档的线上签审,提升了签审效率。满足了企业质量控制要点,又满足了外审要求;同时图文档的版本唯一性管理问题得到了很大改善;
3、物料、图纸、BOM等数据及文件通过设计软件接口程序批量提取,实现了图纸与BOM的强关联性,保证数据的准确性、一致性;
4、工程变更在PLM系统中产品整个生命周期内贯穿全程,所有的变更均形成变更履历进行记载,实现了工程变更的可追溯。