项目背景
科威尔技术股份有限公司是一家以测试电源为基础产品,为多行业提供测试系统及智能制造设备的综合性测试装备公司。
公司目前主要产品线有测试电源、氢能测试及智能制造装备、功率半导体测试及智能制造装备等。产品主要应用于新能源发电、电动车辆、氢能、功率半导体等工业领域。
经过多年技术积累、升级和迭代与市场深耕积累了大量的行业应用经验相结合,实现了前沿理论技术与实际工业场景的融合,有针对性的为下游行业领域客户提供所需的测试装备。公司多款产品实现了进口替代,产品远销欧洲、日韩及多个东南亚国家,是为数不多跻身国际测试设备供应商体系的中国本土品牌,并已成长为一家国内领先、业界知名的综合性测试装备公司。
项目目标
通过SIPM/PLM项目实施,达成以下目标:
一、产品管理:
1、构建清晰完整的产品谱系,实现机械、电子的一体化。
2、通过三维接口及电子接口设计,接口直接提取物料、BOM、图纸进PLM系统,数据同进同出,实现零部件与图纸和技术文件完整关联,查询便捷。
3、实现图档/文件统一分发、权限可控。
4、通过产品知识库的建立,积累企业的知识财产,并确保产品数据的正确性、完整性、规范性及安全性。
二、编码管理:
1、建立适合企业管理需求的编码体系,实现对物料、技术文件、其它设计过程资产的的统一编码。
三、接口管理:
1、打通企业信息流,实现与ERP系统数据传输(物料、BOM、工艺路线)。
四、标准化管理:
1、规范统一企业签审流程,提高签审效率。
五、变更管理:
1、规范并固化设计变更管理流程,实现对所有技术数据变更的可追溯。
实施成果
一、业务全景图

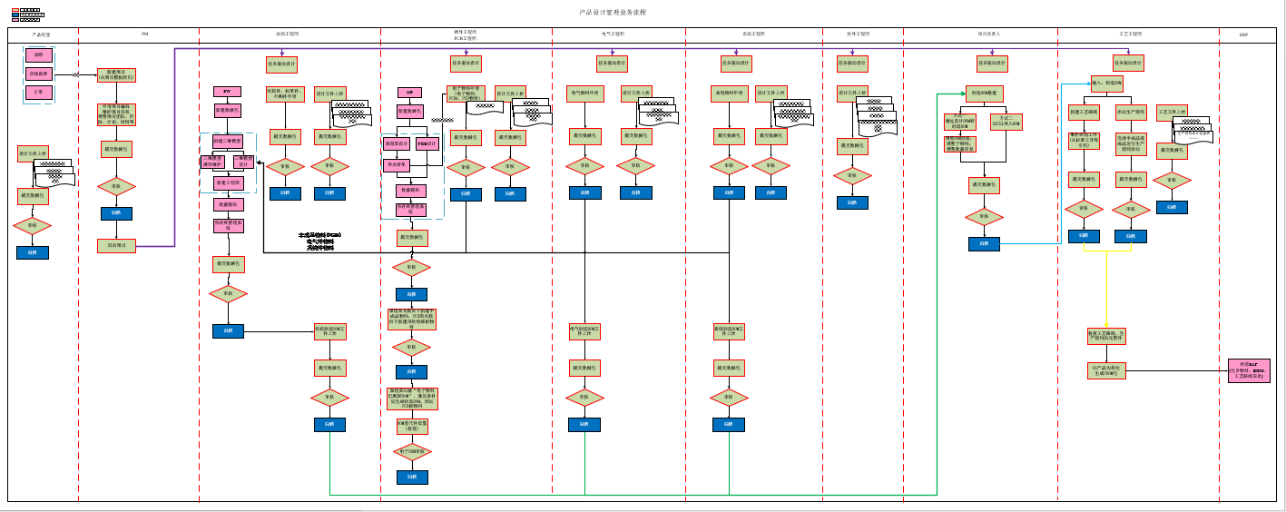
二、产品设计业务流程

三、项目管理
实施前:
l 公司项目较多,但管理较离散,不系统;
l 项目任务、输出文件没有统一管控;
l 项目进度由项目负责人或PM掌控,无法系统监控实施进度,任务下发与执行节点不明显,工程师参与感低。
实施后:
l 项目过程管控清晰有条理,且任务自动下发;
l 项目输出资料文档齐套;
l 项目执行进度,任务执行状态一目了然;可从不同的维度对应相关成果进行统计,为管理改善提供准备的有效数据源。

四、零部件、BOM管理
实施前:
l 物料种类多,分类不明确;
l 零部件和文件没有关联关系,不便于查看;
l 物料特征属性没有管理;
l 物料、BOM与图文档的复用、引用不方便;
实施后:
l 物料种类多,分类不明确;
l 零部件和文件没有关联关系,不便于查看;
l 物料特征属性没有管理;
l 物料、BOM与图文档的复用、引用不方便;

五、设计软件集成管理
实施前:
l 在设计软件中设计图纸,再按图纸编制对应的BOM,效率低,易错;
l 图纸更改后,对应的BOM及相关文档都按需调整,无法通过图纸驱动,存在重复的输入工作。
l 原理图与实际BOM中间需要经过手工整理转换。
l 原理图、PCB图与BOM之间无关联性。
实施后:
l 设计软件作为设计源头,规范设计源,通过接口快速生成对应的BOM,避免重复输入,减少出错的概率;
l 通过设计软件接口将零部件、BOM及图纸形成整体, 图纸变化后快速驱动对应的BOM及零部件的修改,避免重复工作。
l 定制件品号直接通过取码生成在三维模型属性中,提升效率。
l 通过设计软件接口直接提取原理图BOM, 提高设计效率。
l 保证原理图变更从设计软件源头出发,原理图与BOM结构匹配,便于追溯与借用。
六、流程管理
实施前:
l 部分签审线下完成,费时费力且不容易统计;
l 没有总的流程监控,流程查询及管理不方便。
实施后:
l 流程通过系统固化,实现过程有效管控,提高工作协同处理能力,节约办公时间,提高工作效率,规范管理;
l 流程执行过程中可实时查询并监控,流程的执行记录为管理改善提供数据源;

七、PDF签名管理
实施前:
l 文件打印签审及人工归档,工作效率低。
实施后:
l 统一规范使用签审文件模板;
l 电子化签审/批阅减少不必要的浪费,减少纸质的文件消耗,结合标准的签审流程和消息提醒,提高设计沟通工作效率,并实时记录工作状态和内容,便于反查追溯。

八、变更管理
实施前:
l 物料、BOM、文件的变更过程不易追溯;
l 变更单没有整体的统计视图。
实施后:
l 变更统一纳入系统管理,系统中电子文档实时最新有效;
l 变更过程可追溯,对应的数据、文件可按需查阅;
l 变更单可整体查询,便于知晓整体的变更情况。
l 通过OA变更申请传递至PLM后执行具体变更,再将变更完成结果反馈至OA,形成变更闭环。
九、数据权限管理
实施前:
l 通过文件夹控制权限,权限管理比较混乱。
实施后:
l 制备完善的规则权限体系,按照角色赋权,数据进行权限的控制,支持由流程暂时赋予权限,支持设定权限生效时间;
l 图纸、文档线上管控,控制浏览、下载、修改权,提高文件的安全性;
l 系统操作日志实时记录,方便监控、追踪不安全因素。


十、系统集成管理
通过各系统集成,实现PLM、OA、ERP以及企业邮箱间数据的交互,打通整体业务数据流,实现数据精确传递。

总结:
通过PLM实施,实现了产品研发流程固化。对产品相关信息进行统一管理,整合产品文件、图档、BOM等信息,以BOM为纽带将开发过程的所有数据和文档进行关联。从设计源头规避一物多码、一码多物情况,为管理人员提供可视化数据来源及管理依据。打通整体业务数据流,实现数据精确传递,将企业的数据标准化水准上升至新的台阶。