项目背景
浙江飞越机电有限公司,简称飞越机电,是一家从事制冷维护工具及设备和真空设备研究开发、制造的,是中国真空协会的成员企业、全国真空技术标准化技术委员会委员企业、中国制冷空调工业协会会员企业。企业占地面积26000 平方米,建筑面积36800平方米。
目前,企业具有25万台旋片式真空泵、1.5万台冷媒回收机年生产能力,产品获得中国专利并通过欧洲CE、加拿大CSA、美国UL等认证和德国莱茵TÜV公司ISO9001:2008质量管理体系认证,计有30多项国内授权专利。
项目目标
通过SIPM/PLM项目实施,达成以下目标:
1、确保项目过程数据的完整、准确和一致;分层计划、集中管理手段-简化;规范、快速和高效;可视化、可监控;信息共享与同步;
2、以最少化的物料数量及部件组合,支持多元的业务需求;为正向模块化设计提供工具和平台;提供机电软包一体化协同设计平台;产品标准化、通用化;降低产品成本;可扩展性;知识库-知识共享,减少技术流失风险;
3、工艺标准化通用化;减少工装模具投资;支持多工艺路线;规范刀夹量等管理;支持成本准确核算(增加辅料、工时匹配、生产配料);
4、减少订单产品设计复杂度,实现快速个性化设计;提供多品种少批量的快速响应工具;灵活配置,缩短交期;减少人工维护(BOM、物料信息);减少订单产品设计复杂度;实现产品和订单分离;
5、信息流动与共享;提高准确度;快速发布与交付;
6、规范化,有效控制;变更可追溯;信息共享与同步;减少库存风险;
7、对组织、员工、图纸、数据、文件等权限、可追溯管理 – 安全性;电子化流程提高效率;电子化存档、签审、发布 – 无纸化设计;

研发管理模型全景图
建立系统级的产品分类并固化到PLM系统,形成统一的管理平台。
以实施PLM为契机,梳理企业标准件、通用件,并逐步形成产品模块库、产品平台库,最终对产品可配置组件进行规则定义,进而支持订单快速选配设计,提升订单响应能力
统一设计工具3D、2D
整改2D/3D图纸 (3D单独整改计划)
统一文件名命名方式
统一文件模板
统一图号命名规范
建立标准图框并执行
统一3D图纸设计标准属性
PLM平台支持异地协同设计
替代料解决方案与设计平台

模块化产品设计
以最少化的物料数量及部件组合,支持多元的业务需求
建立适合飞越的统一的数据组织管理模型,将与产品有关的所有类型数据集中关联管理起来,实现数据的高效查询、共享,提升数据复用度。
建立新产品设计流程:架构工程师(项目经理)负责制,分结构设计的模块化设计机制,实现可分时分人设计。
建立一级模块面向客户,面向总装;结构层面向设计,进行分层产品设计的原则和设计方法。
PLM需要提供正向模块化设计平台
PLM需要提供机电软包一体化协同设计平台
PLM需要提供替代料、集团级物料码、颜色件等处理的方案和流程。
通过模块化设计制度和流程的建立,在组织上结构上建设成产品研发和订单设计两个团队,为组织长远竞争力打下基础。

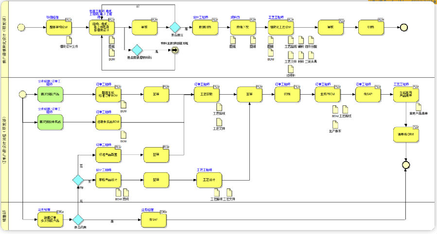
模块化设计系统结构
1、PLM系统提供项目台账管理,同时提供项目号编码器。同时关联项目文件管理对象,项目相关文件可以存放在此目录中,便于检索。
2、项目对象关联模块化设计任务分配平台,项目经理可以根据设计方向做子模块设计的任务分配。
3、项目对象关联模块化设计对象,项目经理按产品设计型号建立台账管理。
4、任务分配后,各子模块设计人员在模块配置清单和模块选配方法对象上,按任务进行设计。
5、设计完成后,工艺按任务分配进行工艺模块设计。最后评审归档后,生成模块化设计产品。
集团级物料主数据和工厂视图的两级结构的建立,解决了集团统一和企业个性化的结合问题。
物料码和零部件分离和关联,保证虚实件的实现。
物料主数据数据除了零部件所需的物料码以外,还包含原材料、辅料等物料码
各个工厂所需的物料码对象和集团的物料主数据关联,并且系统自动生成数据。
各个工厂的物料码业务视图和物料主数据关联,并根据实际部门维护的内容进行设计对应对象。
所有物料编码都必须通过PLM申请,通过接口传SAP生成编码后,通过接口返回PLM 同步;
主数据申请成功后,流程自动发布,推送到采购部、经营部等部门维护业务试图属性


模块化产品工艺设计
建立企业统一的工艺数据管理系统,将产品设计、工艺设计有关的所有类型数据集中关联管理起来,实现数据的高效查询、共享,提升数据复用度。
工艺系统能实现产品多工艺路线管理
工艺系统能实现结构化工艺过程设计,并满足ERP的特殊需求,使得PLM真正成为设计数据源头,而无需在SAP中维护
工序、工时、工作中心、并行工序、虚实件管理、组建分配、物料码业务视图、多工艺路线/BOM/生产版本管理等。
建立标准工艺路线库、标准工序库、工装库、夹具库、设备库、材料库、辅料库,支持模块化产品工艺路线快速编制;
提供产品工装夹具、辅料等设计平台,为精细化成本管理提供保证。
系统提供满足生产需要的对工步信息维护的功能
系统提供满足生产需要的作业指导书和检验指导书的自动生成功能。
根据业务流转的实际需求,严格规范的定义并执行工作流,打通跨部门的业务协同问题(工时、物料码业务视图等)。

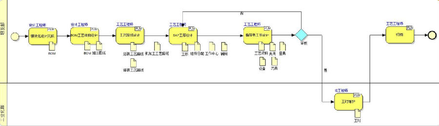
模块化工艺设计系统结构
1、PLM系统提供平台产品的总装多工艺路线,下关联SAP工序、材料、组件、工艺文件等工艺对象。
2、PLM系统提供零部件BOM各层的部装、机加工多工艺路线,下关联SAP工序、材料、组件、工艺文件等工艺对象。
3、PLM系统提供各物料SAP工序下的工步、工艺装备、设备、辅料、组件、工艺文件等工艺对象。
4、PLM系统提供各物料工步下的工艺装备、设备、辅料、组件、工艺文件等工艺对象。
5、设计完成后,工艺按任务分配进行工艺模块设计。最后评审归档后,完成模块化设计产品

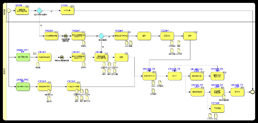
订单产品设计
建立企业统一的含预投产品或半成品标准产品(标准BOM)设计平台
建立企业统一的销售订单产品设计系统(订单BOM),并且需要和企业CRM系统关联,实现销售订单的高效传递、快速设计。
通过和CRM的关联,和订单产品清单已经选配方法/规范的建立,从CRM源头上规避重复订单流入PLM而造成的重复设计
根据模块化设计的标准型号,建立快速配置生成订单产品(BOM、工艺路线、生产BOM),减少重复劳动。
建立完全的能按专业分别维护的非标设计平台。
设计BOM-制造BOM需要关联,避免图纸设计和制造BOM不一致,造成质量问题。
建立订单产品设计团队,使得新产品设计和订单产品设计人员分离。
需要提供指导书工序、作业指导书等结构化工艺数据维护平台,为MES系统实施打下基础。

系统集成
PLM通过ESB数据总线,和外围系统进行数据交互和数据分发
总结:
通过PLM实施,飞越集团PLM系统总体将以标准化/模块化可配置的设计方法论为基准,实现产品正向设计的模块化结构、电子、软件一体化设计与流程管理;
两条主线:一条以平台化产品设计为主线,完成平台开发设计、订单配置、图纸、工艺、制造设计,实现从研发至生产的端到端业务流程;
一条以项目管理为主线,实现全项目过程的人员和数据、文件的管控,以及问题管理。