项目背景
Yeelight 易来是全球领先的智能照明品牌,在智能交互、工业设计和灯光体验等方面不断打磨,持续定义照明行业的最高标准。Yeelight 易来致力于通过高品质光环境的打造,在2018年中开始正式发展线下市场,现已拥有覆盖全国所有省份的100+代理商,60+标准体验店和300+的体验区,全球累计出货3000余万件,用户辐射200多个国家和地区,让上万个家庭享受到智能照明的便捷和乐趣。
易来一直以来致力于通过高品质光环境的打造,让更多人享受到智能照明的便捷和舒适,为了能够使企业产品研发管理能力取得质的提升,决定建立一个符合企业快速发展的技术研发体系,建设企业级的产品开发管理平台。
经过慎重选型,思普软件以全球领先的MDA技术和领先精益开发解决方案得到了企业的高度认可,并顺利成为易来研发信息化管理平台供应商。
项目目标
SIPM/PLM项目实施初期,双方制定了实施目标如下:
通过PLM的实施,规范产品开发流程;规范输入、输出、评审等过程文件的管理,(所有文件完整,归档条理,便于查阅);保证开发各过程可记录,可追踪,强化项目管理能力。
通过PLM系统规划统一的物料编码体系,在企业内部实现“一码到底”(贯穿业务始终),为生产系统深入推广应用提供强有力 BOM 数据支持。
以BOM为中心实现技术资料(含图纸)关联管理,打通技术数据和ERP系统的互通;
数据源控制:确保数据源的唯一性,并保持产品3d模型数据、2d数据,PLM系统数据的互联互动;所涉及的关联数据在建立和更改过程中保证一次更改,其他数据随动。与公司现有加密系统对接,完善流出文档安全。
充分利用网络的快捷和可追溯性,逐步建立电子通知、报批及审核机制,避免以往人工的出错、遗忘,为实现无纸化办公铺平道路;
在PLM系统的工程变更单进行产品阶段区分。并通过产品阶段进行分类展现。
规范文件标准-----提升与产品相关的图纸、检验标准、产品说明文档、技术文档、项目文档、编码规则的规范统一管理,建立文档管理规范
知识库共享-----借助PLM系统的知识管理平台,积累设计经验,逐步建立一个科学、完善的知识库,提高研发、工艺、项目管理水平。
多部门协同-----系统应用无界限,将来PLM可以成为涵盖整个公司各部门的协同管理平台。
通过项目管理模块实现对公司项目前中后全过程的管控。
系统业务功能实现
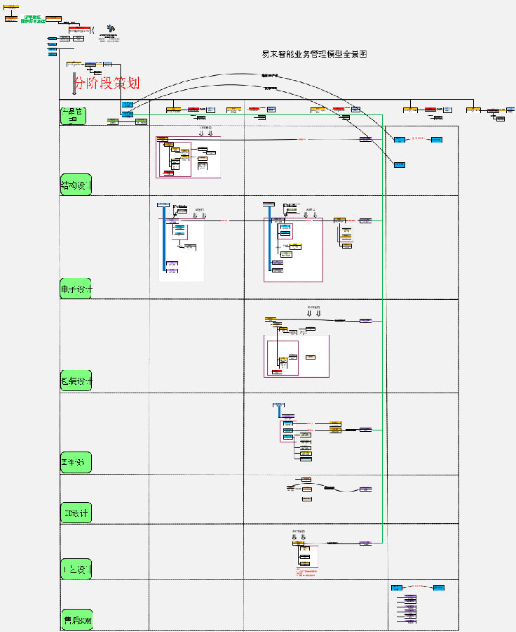
根据易来的现状,对易来研发管理进行整体规划,构建适合易来产品研发流程,并将研发管理流程通过PLM软件进行固化。

图1 研发管理模型全景图
立项管理
通过SIPM/PLM系统将项目立项和项目相关联;保证研发各过程可记录,可追踪,强化了项目管理能力;保证了项目研发过程的各阶段数据的齐套性,归档条理便于查阅。

图2项目立项管理

图3项目立项与立项资料关联管理
利用项目管理固化企业产品研发流程,实现产品开发进度、输出物可控

图4产品研发管理流程

图5实现输出物可控
平台产品设计
易来公司产品设计多为系列化产品,通过SIPMPLM系统建立系统级的产品系列并固化到PLM系统,形成统一的产品平台;按系列产品预设平台产品配置清单,清晰管理系统产品所涉及的配置清单,并由产品经理使用时按照预设条件选取。
新产品设计需要多个部门协作完成。通过SIPM/PLM系统将产品架构进行重新梳理,将产品分解为多个模块,实现各个部门间的协同设计;零部件的各技术资料在同一界面齐套管理。

图11电子设计管理

图12软件设计管理
PDF工厂
实现图文档、技术文件线上电子化签审,保证PLM系统中电子文件和现场纸张文件完全一致;CAD接口程序,自动生成二维图档的PDF文件以供下游系统浏览,并根据审批流程自动生成电子签名,以确保图纸有效性。

图14文档电子签名

图15图纸电子签名
工艺管理
以设计BOM为基础,工艺部门在设计BOM的基础上将工序过程中的组装工艺信息进行补全,形成完整的工艺BOM及工艺路线信息。

图16工艺路线搭建
建立易来统一的编码体系
建立公司级的物料编码规则,实现项目、产品、物料、技术文件、变更单和物料切换计等同一编码。

图17编码管理
变更管理
ES准出之前:工程师在PLM系统查找到需要变更的数据进行检出操作并维护变更单后进行数据的修改;
ECR变更:PLM发起变更申请并维护变更计划和物料处置方案。变更申请审批通过后,下发变更任务到相关专业工程师按要求进行数据变更。

图19 ECR变更管理

图20 ECR变更流程
管理看板
通过任务状态查看跟踪变更计划,及时准确了解项目执行情况,实现按用户和时间查询企业全体人员的设计成果。

图21跟踪任务状态

图22流程监控
权限管理
PLM系统权限管理模块对各数据对象的权限进行精细划分,为企业数据安全保驾护航。

图24权限管理
PLM—ERP接口
PLM-ERP接口支持BOM、物料对象、工艺路线数据传输,确保PLM与ERP系统数据无缝衔接。

图26生成PBOM包
总结:
易来智能通过本次PLM成功的实施:
重新梳理并固化设计流程,将PLM与ERP有机结合起来;通过项目管理进行产品数据齐套管理;通过平台产品管理模块快速配置产品,实现合同产品快速设计;实现机电软包一体化协同设计;
通过流程管理、变更管理实现产品数据可追溯化;
通过PDF工厂实现电子签名,极大提高了设计人员的设计效率,为将来无纸化设计打好基础;
完善知识管理模块,助力易来智能知识积累与传承,并尝试拓展项目管理到公司日常事务管理!通过这些模块的持续应用,PLM系统将成为涵盖整个公司各部门的协同管理平台!