项目背景
江苏拓米洛环境试验设备有限公司专注于高端环境试验设备的研发、生产及销售。公司现有职工450余人,技术研发人员100余人。已拥有国家级高新技术企业、江苏省首台重大装备、已通过IS09001、ISO14001体系认证;AAA级信用单位;江苏省民营科技企业;昆山市研发机构、苏州重合同守信用单位等资质荣誉。
主要产品包括:恒温恒湿试验箱、冷热冲击试验箱、快速温变试验箱、步入式温湿度试验箱、盐雾试验箱、沙尘雨淋试验箱等。产品主要应用于消费类电子、汽车电子、军工制造三大行业。
项目目标
通过SIPM/PLM项目实施,达成以下目标:
l 实现企业所有数据的规范化、标准化,尽可能考虑到操作的便利性;
l 加强项目管理执行力度,通过PLM的实施,规范产品开发流程;规范输入、输出、评审等过程文件的管理,(所有文件完整,归档条理,便于查阅);保证开发各过程可记录,可追踪;
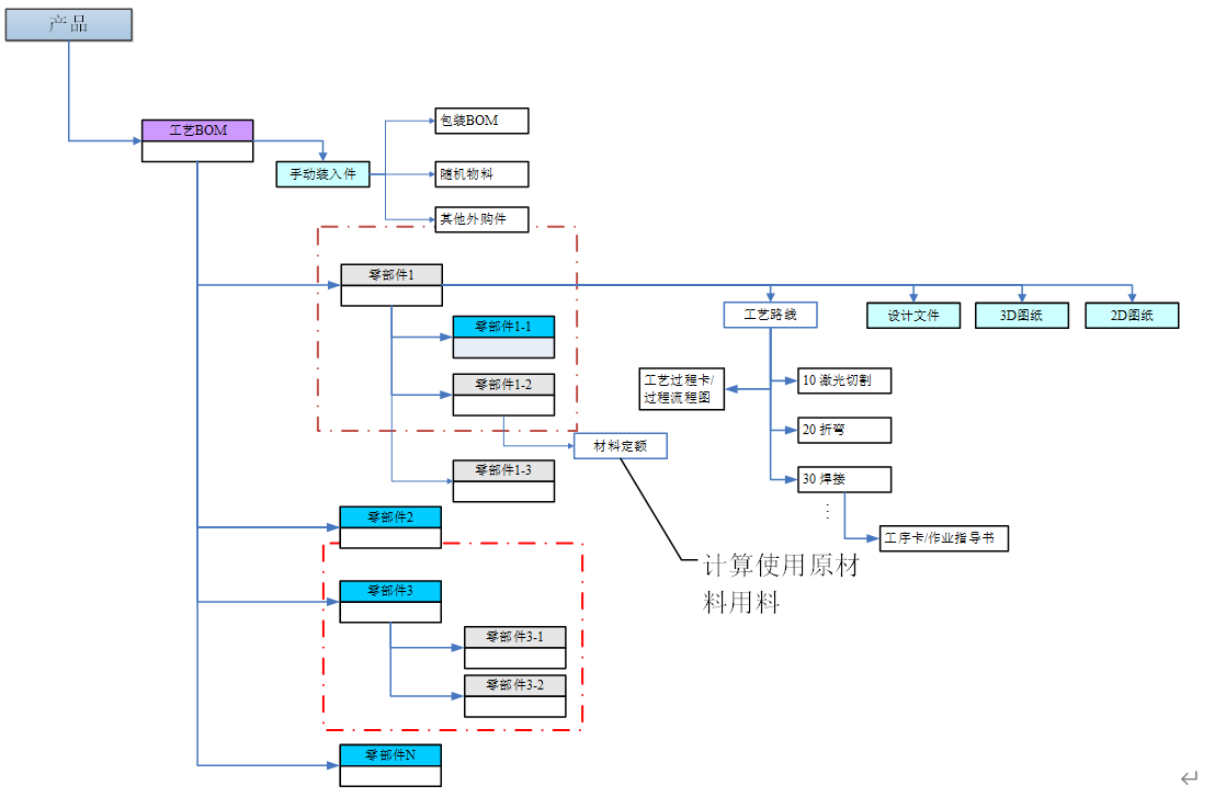
l 通过PLM系统规划统一的物料编码体系,在企业内部实现“一码到底”(贯穿业务始终),为生产系统深入推广应用 提供强有力 BOM 数据支持;
l 以BOM为中心实现技术资料(含图纸)关联管理,打通技术数据和ERP系统的互通;
l 数据源控制:确保数据源的唯一性,并保持产品3d模型数据、2d数据,PLM系统数据的互联互动;所涉及的关联数据在建立和更改过程中保证一次更改,其他数据随动;
意向单
实施前:市场部先写发起意向单申请,过程中进行文档收集,文件线下存储,容易都是,权限无法掌控,并且意向单与生产单没有关联性
实施后:
01) 意向单结构化,便于精确查询;
02) 流程审核,进行过程记录;
03) 文件与意向单关联,避免文件重复及丢失;
04) 意向单与生产单关联,实现快速检索;


生产单:
实施前:PLM系统将技术方案书+技术规格书作为项目技术文件进行储存,项目交货时间等线下或者邮件形式进行沟通;

实施后:PLM系统创建前期交流模块,产品部门登录PLM系统进行创建,并上传技术方案书+技术规格书等,数据上传后需经过产品部领导审核,审核通过流程通知项目部进行项目立项,项目部根据业务部门提供的信息进行立项;并且生产单与项目、产品、意向单互相关联。

项目管理:
研发型产品采用项目进行关联,固化了体系流程,提升项目管理标准化,实现进度整体监控。

产品管理:
产品分为开发产品/订单产品:产品关联BOM结构;BOM数据可从三维软件或者EXCEL形式进行批量导入;


工艺管理:
在SIPM/PLM实施前,图文档的签审及变更流程均通过纸质文件进行流转签审,过程很难监控与记录。在项目实施过程中,项目组对拓米洛的签审流程进行梳理并固化到PLM系统,实现了签审工作的平台化处理及实时跟踪效果,工艺数据结构化,便于未来MES软件数据调用。


PDF工厂:
实现对三维工程图、二维图纸及EXCEL文件电子化签名,优化传统签审流程,降低企业成本。
变更历史追溯:
PLM系统内数据一旦发生变更,系统会自动对数据前后差异进行对比,并形成变更历史,便于过程追溯;


BOM变更历史对比
总结:
数据标准化是信息化建设不可逾越的过程,是进入数据时代的前提。每个企业开展数据治理工作都是独一无二的,需要考虑不同的组织、文化、环境和资源。
成功的经验不是简单的复制,透过SIPM专业服务经验,现在数据标准化不用从零开始,我们能够直接站在别人肩膀上,避免重复劳动,看得更高,走的更好、更远。
拓米洛通过本次PLM成功的实施,持续不断地改善公司线上管理流程,实现了整个设计过程中所有资料、图纸全部线上集中管理,方便了设计人员对数据的快速查询,从而大大提高了设计人员工作效率!